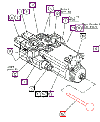
Mahindra Tractor Loader Handle With Pin (L=160) And Ball (40mm) ANS110464S/1

*Check Below for Fitment Details*

Part No. ANS110464S/1

$178.19

Ships from Michigan Warehouse

in 6-9 Business Days

Need Order Quicker?

Have Order Fulfilled in 1-3 Business Days for $55

Mahindra Tractor Loader Handle With Pin (L=160) And Ball (40mm) ANS110464S/1

MODEL
ANSUNG-AML205 Loader (Max 28XL G/H) - From # 1L3537
ANSUNG-AML205 Loader (Max 28XL G/H) - From # 2I4771
ANSUNG-AML205 Loader (Max 28XL G/H) - From # 2J0000
ANSUNG-AML233 Loader - From # 1L3783
ANSUNG-AML233 Loader (4025/4525 2WD) (From SN 1B0240)
ANSUNG-AML234 Loader (4025 4WD) - From # 1L3783
ANSUNG–MAX26L (Max 26XL HST/GEAR) 3J3958 and Later

ANS110464S1