mahindra-tractors mahindra-tractors

1538

Use the search bar to find parts for your Mahindra 1538 or

Use the filters to browse by part type/category, fluid, or attachment model

Sort + Filter

Search Mahindra 1538

(1)
$3.67
(1)
$336.63
(1)
$947.89

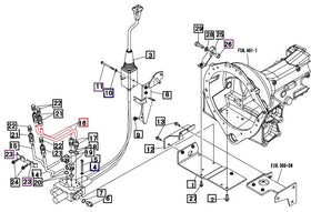
Model 1538 - Mahindra Tractor Parts - Mahindra Direct Parts - OEM and Aftermarket Parts and Accessories